日皮免费视频_日皮大全免费_黄色日皮在线观看_男女日皮视频APP 亚洲精品美女久久7777777_亚洲成a人片

首頁 > 產品中心 > 過渡接頭 > 日式公制60°錐密封接頭 > 日本公制外螺紋/英管外螺紋 90°彎接頭
< >

產品名稱:

日本公制外螺紋/英管外螺紋 90°彎接頭

產品系列搜索

請選擇您想要尋找的相關產品系列

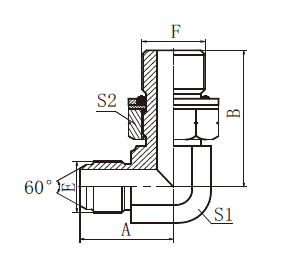
產品描述

image.png

訂貨號螺  O  形圈尺  寸
EFF端ABS1S2
AK5-14-04/9M14X1.5G1/4"X19O11126.531.31419
AK5-16-04/9M16X1.5G1/4"X19O11128351719
AK5-18-04/9M18X1.5G1/4"X19O11130.8361919
AK5-18-06/9M18X1.5G3/8"X19O11330.8371922
AK5-22-08/9M22X1.5G1/2"X14O11535.543.22227
AK5-24-08/9M24X1.5G1/2"X14O11537462427